电阻是耗能的电阻作用,它有什么作用?


答:电阻器通常简称为“电阻”,它是电子电路与电气设备中最常用的基本元器件之一。

所谓“电阻”是指各种导电材料对流经其内部的电子电流存在一定的阻碍作用、并且将电流能量转换为热能量,而且有电阻性能的电子元器件,被称为电阻器。
(1)电阻器的作用:
电阻器在电子电路中可以降低电子电路的电压、限制电流、分压分流,以及与其他元器件共同构成取样、隔离、耦合、反馈、滤波、补偿等多种功能的电路。
(2)电阻器的用途、结构、引线形式;电阻它分为通用电阻器、高阻电阻器、高压电阻器、高频无感电阻器、精密电阻器等等。电阻器分为圆柱型电阻器、管型电阻器、圆盘型电阻器、片式电阻器、纽扣式电阻器等等。电阻器它分为轴向引线电阻器、同向引线电阻器、无引线电阻器、径向引线电阻器等。
(3)电阻器的基本定律:
电阻器的国际单位是欧姆(Ω)。1Ω的定义是导体上施加1Ⅴ的电压时,产生1A电流所需要的电子阻值。大电阻用千欧(KΩ)或兆欧(MΩ)来表示,它们之间的换算关系为1mΩ=10-³Ω,1KΩ=10³,1MΩ=10³KΩ,1GΩ=10³*³Ω。
“电阻定律”为R=ρ(L/A)式中ρ为材料的电阻率,它与导体的材料有关,表征导体导电性能;L与A均相等时,ρ越大则电阻值R越大。实际中,纯金属导体材料的ρ较小,合金导体材料的ρ较大。因此电子电路中的导线多采用ρ较小的铜材料制成,而线绕电阻器、电烙铁、电炉等等设备中的电阻丝则多采用ρ较大的合金材料制成。另外ρ还随着温度的升高而增加,但是温度对于康铜合金与锰铜合金的ρ几乎无影响。所以这两种合金材料常用来制作标准电阻器。
(4)欧姆定律;I=U/R。在同一电压下,R越大,则通过导体的电流越小。也就是说,R反映的是导体对电流的阻碍作用,故得名“电阻”。I与U成正比,而与R成反比,这就是欧姆定律。在电路计算中,若已知U、I、R中的任意两个,则可以根据欧姆定律,求解出第三个量。
(5)还有由不同材料和工艺制成的半导体电阻器,具有对温度、光照度、湿度、压力、磁通量、气体浓度等非电物理量敏感的特殊性能,故这类电阻器被称为“敏感电阻器”。它们可以将热、光、力、磁、温度、气体等非电量转换为电信号,因此它们是检测不同物理量的传感器。
常用的敏感电阻器有“热敏电阻器”、“光敏电阻器”、“压敏电阻器”、“湿敏电阻器”、“气敏电阻器”、“力敏电阻器”、“磁敏电阻器”等等。
(6)还有利用PTC发热特性制作的,用于压缩机启动的“启动电阻器”和电视机消磁电阻器。
(7)熔断电阻器;俗称“保险电阻器”。它能够在过流、过载情况下自己熔断,以保护其他电阻元器件的安全,也可以作为电路中的普通电阻使用,故又被称为双功能电阻器。
要谈电阻器,可以写长篇大论,这里只是小说一下。
以上为个人观点,仅供参考。
知足常乐2018.6.6于上海。
在电子线路中,电阻起什么作用?
电子线路中,电阻起到的作用很多,最本质的的就是阻碍电流流过,同时电阻也是电路中使用最多的元器件,种类繁多,不同类型的电阻所起的作用也不一样,不过电阻最常见的作用就是分压,分流和限流了,下面我们来具体看看电阻是如何起到这些作用的。

1,电阻分压
上图就是最基本的分压电路了,两个电阻串联,每个电阻所分的电压是此电阻值和总电阻的比值再乘以总电压,如上图中,分压点OUT的电压值就是降落在R2上的电压,利用公式V2=R2/(R1+R2)* 24V,可以算出OUT=4V。由此可以得出,电阻串联时,流过的电流相同,电阻值大的分的电压越大。
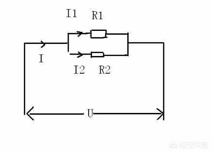
2,电阻分流
如上图,两个电阻并联,每个电阻上的电压相等,电流不同,分流公式为 I1/I2 = R2/R1 。由此可以得出,电阻并联分流,电阻越大,分的电流越小。
3,电阻限流
上图中是一个LED灯发光电路,大家都知道发光二极管的工作电流很小,如果要想使它正常工作,就要提供合适的电压和工作电流,这个工作就交给电阻了,限流电阻就是限制电路中的电流,不使它超过正常值的范围。
以上三种是我们最常见的基本电路,电阻都为固定电阻,还有一些特殊电阻所起的作用也是不一样的,比如压敏电阻,热敏电阻,光敏电阻等等,这些电阻在检测电路中使用非常广泛。
